Skip to main content
Aller à la page d’accueil de la Commission européenne (s’ouvre dans une nouvelle fenêtre)
français français
CORDIS - Résultats de la recherche de l’UE
CORDIS

Advanced direct biogas fuel processor for robust and cost-effective decentralised hydrogen production

Periodic Reporting for period 3 - BIOROBURplus (Advanced direct biogas fuel processor for robust and cost-effective decentralised hydrogenproduction)

Période du rapport: 2019-07-01 au 2021-06-30

Hydrogen production from low carbon sources represents a valuable possibility to promote the decarbonisation of the energy system in a sustainable way. The specific challenge of BioRoburplus, was to demonstrate the potentials and sustainable utilization of biogas as renewable fuel for a decentralized production biohydrogen in a compact and efficient reforming.
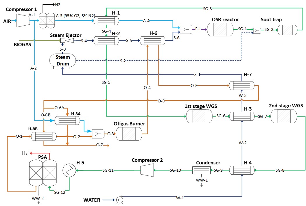
The BioRoburplus project developed a pre-commercial oxidative steam reformer (OSR) for sustainable and decentralized hydrogen production from biogas with no preliminary removal of CO2. The TRL6 demo-plant was designed to produce 50 Nm3/h (107 kg/day) of H2 at 99.9% purity and 1.5 bar with an energy efficiency conversion of 80,7% on a HHV basis. The ways to reach this objective was: i) high thermal integration, ii) PSA (pressure swing adsorption) offgas exploitation for reformer feed preheating, iii) power consumption minimization through CO2 removal prior to the PSA.

From industrial view point, this demo plant could enable real field activities of a significant size for the production of pure hydrogen, contributing to the path of achieving scale economies in various and different production chains by creating important industrial symbioses, still unrealized.

Unfortunately, in the spring-summer months of 2021, we faced numerous technical difficulties in assembling the demo-plant due to the very high level of components integration, but we were able to show off the plant during a workshop, to the press and to some industries. Anyway, short tests have been performed to set alarms, setpoints and to identify the correct steps to reach steady state mode.
The most important bioroburplus achievements can be summarized as follow:

WP2 - Catalysts & catalytic reactors
JM Catalyst formulation for the oxidative steam reforming (OSR), water-gas shift (WGS) reaction and soot trap (ST) were selected and the related reactors were manufactured and tested at small scale and demo scale.

WP3 - Advance integrated hydrogen purification
The absorbing materials for H2 purification from a syngas mixture were selected and manufactured at demo scale.

WP4 - Off-gas burner enthalpy valorization
The Voronoi-Structure has been identified, manufactured, assembled and tested as porous matrix for the prototype burner. Validation of numerical models has been successfully performed with experimental results and the operation/control strategy for the final off-gas burner has been defined. Super-heater construction details have been finalized as well as the integrated steam generation unit’s construction. Control system program has been elaborated.

WP5 - Complete biogas-to-hydrogen fuel processor
Long-term tests were performed to achieve the targets defined by the project. A syngas flowrate with a 50-65% vol H2 content was produced with a residual CH4 concentration of 4-10% vol. Compression and purification unit was activated and the maximum pressure reached after the compression phase was 9 barg (expected 12 barg). The maximum H2 content achieved after the PSA is 95% vol (expected 99,9 % vol), starting from a 60% vol of H2 in the syngas. The system could not reach the target value because the pressure at the inlet of equipment was too low to achieve the desired purification grade.
Long-term tests were stopped because operators observed an anomalous pressure increase inside OSR and WGS1 reactors. As no valves or instruments can stop the flow between the reactors, it was decided to inspect the reactors to verify if an obstruction has been formed in the pipeline.
Blanketing of the reaction unit has been performed, and the system has been cooled down to allow personnel to open the connection. The inspection revealed that the catalyst of both WGS reactors were damaged. Because of the catalysts damage, the difficulties in keeping the system warm enough for the steam reforming reaction, and the impossibility of increasing the biogas flowrate, tests on the unit have been stopped.
The tests performed on BioRoburPlus plant in short-term mode are not sufficient to provide reliable data on the catalyst and unit behavior.

WP6 - Prenormative, LCA, safety and market studies
LCA of the process was performed and the results showed a GWP lowest for Bioroburplus technology respect to the others (0.43 kgCO2eq/kg H2). A REACH analysis of the chemicals has been completed and submitted: substances involved in the overall process have been identified in order to provide appropriate safety information for the consortium and other-users.
First results of the HAZOP study were evaluated and several nodes identified. Deviation, cause and consequences were analysed, and the most important preventive recommendations for implementation were selected.
A first evaluation of the CAPEX and OPEX of the BioRoburplus plant considering an amortization time of 10 years, the H2 cost for the current plant and the effect of the size of the plant on the H2 cost has been assessed too.

WP7 - Dissemination & training
Several conferences were attended especially from Partners from the Universities and educational workshops for primary and secondary school were proposed and successfully realized. A summer School for PhDs focusing on the outcomes of different EU project was appreciated with participation of more than 130 Students during last September 2019 and a final workshop in summer 2021 was realized and the demo plant was showed off.
The greatest ambition of the BioRoburplus project is to prove at TRL 6 level that the direct conversion of biogas into 99.9%-pure hydrogen is technically and economically feasible at decentralised locations with no preliminary removal of CO2. This ambitious goal is based on the achievement of precise targets, well beyond the state of the art in each of the various development lines of the project. The tests performed on the plant proved that:
• The OSR foam catalyst works as expected,
• The burner unit correctly works during long-term tests.
• Compression and purification unit behaves as expected.
• Service units (instrument air, chilled water, gas analysis) are correctly designed and worked as expected.

Impact
The BioRoburplus technology for the cost-effective production of hydrogen from biogas aims at gaining significant market penetration owing to the flexibility of its components which are expected to fit several different biogas sources, the cost reached actually is not competitive as required by the call, but not so far.
Additional impact opportunities at component level are confirmed on:
• Cellular ceramics
• Wall-flow traps
• Off-gas recuperative burners
• Hydrogen purification by combined separation processes

Once will be proved the long term tests, after fixed the technical problem at integration of components level, taking into account the number of potential farms or food processing industries involved by the potential application of the BioRoburplus technology, as well as the increase of job opportunities at the component manufacturers and plant commissioners, may lead to an occupational increase of about 20-30.000 new jobs for the direct exploitation of the developed technologies in the reference BioRoburplus application field.
Indirect creation of job opportunities from spin off applications of the innovative materials and reactors to other contexts can even go beyond these expectations.
Final Bioroburplus Scheme
Bioroburplus plant layout
Mon livret 0 0