Skip to main content
Aller à la page d’accueil de la Commission européenne (s’ouvre dans une nouvelle fenêtre)
français français
CORDIS - Résultats de la recherche de l’UE
CORDIS

Hybrid Variable Geometry Ejector Cooling and Heating System for Buildings Driven by Solar and Biomass Heat

Periodic Reporting for period 2 - Hybrid-BioVGE (Hybrid Variable Geometry Ejector Cooling and Heating System for Buildings Driven by Solar and Biomass Heat)

Période du rapport: 2020-12-01 au 2022-11-30

The Hybrid – BioVGE project was proposed with the primary objective of developing and demonstrating a highly integrated solar/biomass hybrid air conditioning system for cooling and heating of residential and commercial buildings that is affordable, operating with improved efficiency and reduced need for maintenance. The project contributed to overcome the existing technological barriers of solar/biomass small-scale space heating and cooling systems, such as high system complexity, lack of demonstration plants and lack of experience to improve their performance. The project focused on the development of three highly integrated prototypes adequate for residential and small commercial buildings. The activities involved component design and integration, control system development and field-testing. The integrated system is composed by a solar thermal collector field, biomass boiler, thermal energy storage unit using PCM, thermally driven variable geometry ejector chiller, heat distribution and intelligent control. A TRL of 7 was achieved by the end of the project. Targeted KPIs were 95% of the thermal load from renewable energy; less than 5% electricity consumption; a solar heating fraction above 40% for central and above 60% for southern European climates; and a solar cooling fraction above 90%.
The project implementation plan was divided into 10 work packages (WPs), seven of which were of technical nature, as shown in Figure 1. The project had a total duration of 42 months. The first two years were focused on prototype development (WP2-WP5), periods of about 12 months were dedicated testing the prototypes under relevant and real-life operational conditions.
Non-technical activities (WP1, WP9 and WP10) were distributed along the project duration. WP1 concerned with the project coordination. Eight meetings were held to discuss general progress. Deliverables were submitted with the project management (D1.1) and data management plan (D1.2). The activities within WP9 focused on dissemination, communication and exploitation of the results, in order to maximise the impact of the Hybrid-BioVGE technology. The activities within WP9 were reported through three deliverable documents. The project implementation involves voluntary participation of humans during field-testing. In WP10, the ethics principles to be respected by all persons working in the project were laid out.
WP2 focused on the thermal load assessment of the selected buildings for prototype installations, a newly built family home near Porto and office rooms in Steyr (Solarfocus). Thermal loads were estimated by applying dynamic models. Results indicated that the prototypes should be designed for cooling capacities of 5 kW and 10 kW for Porto and Steyr, respectively. Two deliverables were produced.
Full technical details of the main system components for the prototypes were defined in WP3. This includes solar collector type, size and configuration (Figure 2); biomass boiler; PCM type, storage mass and VGE chiller (Figure 3). The work involved theoretical and experimental approaches. Three deliverables were produced.
WP4 concerned with the optimisation of the prototype assembly and building integration. The most suitable system configurations and hydraulic connections were defined for each test site. Two deliverables were produced.
The energy monitoring and control unit for the Hybrid-BioVGE system was developed under WP5. This WP ended with some delay, mostly because of the termination of the lead beneficiary. The restructured work plan was reallocated to Solarfocus partner. The monitoring and control unit is made up by hardware and software components. The hardware includes a master control unit and modular functional modules (Figure 4). Two deliverable documents were produced in WP5.
Within WP6, standalone unified computer tools were developed that assist component selection and forecast the expected performance of the Hybrid – BioVGE system, depending on required system capacity and geographical location. The main computer tool was written in TRNSYS and validated using field test data from WP7 and WP8 (Figure 5). The simplified HybridVGE-eTool design application was developed in MS Excel.
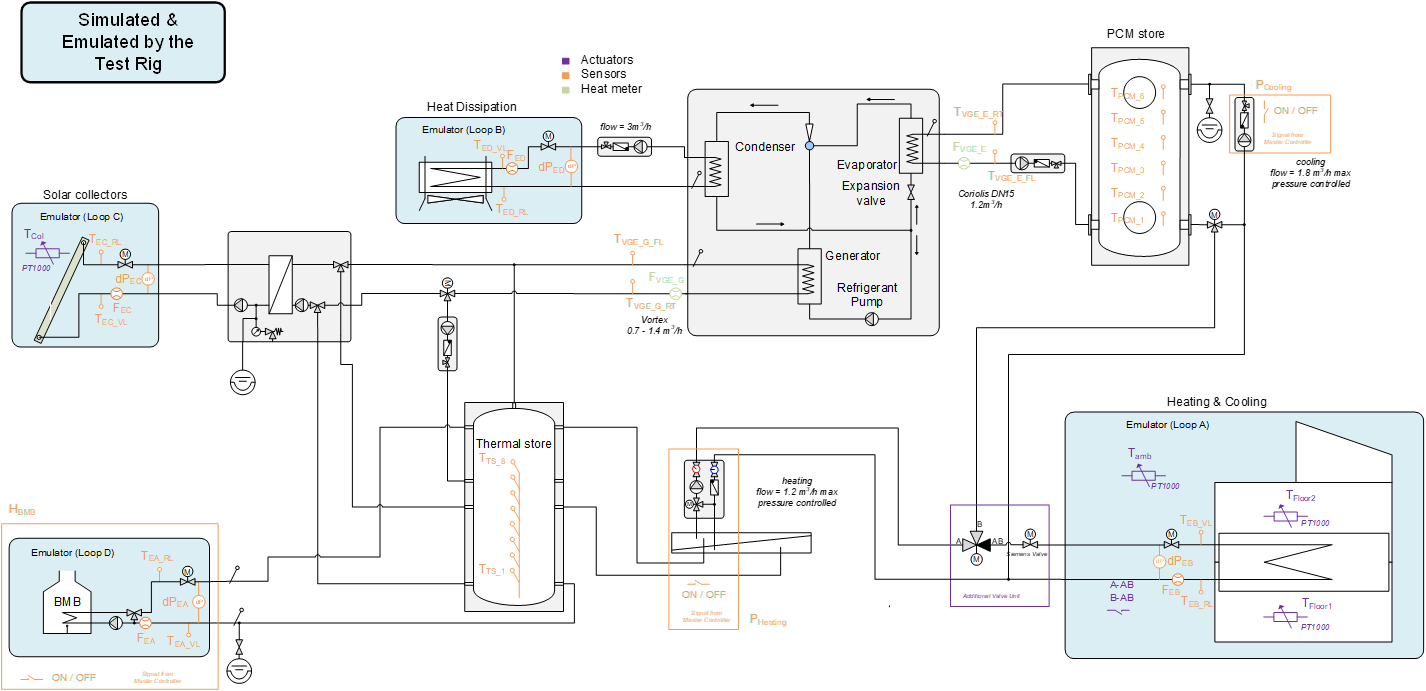
WP7 was designed with the objective to perform dynamic testing of a 5kW Hybrid-BioVGE prototype under relevant operating conditions. The tests were carried out according to a hardware-in-the-loop test principle. This work package was made up of several tasks including, adaption of the test bench (Figure 6), test method definition; installation; CCT testing, fuel flexibility testing. This work package suffered from some delays due the delay in WP5. Details of the work carried out were reported in three deliverable documents.
Under WP8, the installation, commissioning and performance testing of two Hybrid – BioVGE systems, with two different heating/cooling capacities, in real buildings, under two different European climate conditions were carried out (Figure 7). During the tests, a full heating and cooling seasons were covered. Millions of data points were collected at the two test sites. During heating season, a seasonal solar fraction of 61% was obtained in Porto. Cooling cycle performance was below expected, mostly due to unstable operation and issues with VGE components. Two deliverables were elaborated.
A measurable socio-economic impact is expected, after project results and as the consequence of the prototype demonstration and dissemination activities. Several technical developments were achieved at both component and system levels, leading to high potential for new patent applications or license agreements. The outcomes of the work performed were generally in-line with the initial goals. Three working prototypes were constructed and tested under different conditions to support theoretical work with experimental observations.
Improved collector design allows for cost reduction (206 €/m²) and improved solar fractions. The initial cost for 1 W heat is therefore estimated about 0.45 €/W. Improved biomass boiler design clearly demonstrated technological advances regarding fuel flexibility and reduced emissions for several fuels. Results also indicated that the developed VGE chiller performs better than fixed geometry solutions with improvements up to 100%. Cold storage units using ATS15 PCM modules were tested for improving system compactness and solar fractions. The developed control and monitoring unit, using modular architecture and cloud based data storage, led to efficient system operation.
At system level, overall impact and progress beyond the state of the art with the developed Hybrid-BioVGE prototypes was very significant. Three full-scale prototypes were constructed and tested in different operating conditions. Millions of data points are now available regarding the system behaviour. A Concise Cycle Test (CCT) has been developed to provide valuable dynamic long-term performance information in a relatively short time. The knowledge generated during the CCT tests can be applied to other hybrid thermal systems. The remaining two Hybrid-BioVGE prototypes were demonstrated under real operation environment, with different climatic conditions. These field-test results provide scientific knowledge for further TRL upgrade of the developed solutions at both component and system levels. The validated computer design tools will assist professionals to explore the results of the project in the future.
Project logo
Figure 3 - VGE chiller design
Figure 1 - Work package diagram
Figure 4 - Master controller and functional modules
Figure 5 - Comparison between measured (_m) and simulated (_s) daily data on a monthly basis
Figure 7 - Porto prototype: : a) VGE chiller, b) heat dissipation and (c) cold storage
Figure 2 - Solar collector size and layout Porto test site
Figure 6 - Hydraulic scheme of the prototype adaptation into the test bench
Mon livret 0 0