Skip to main content
Vai all'homepage della Commissione europea (si apre in una nuova finestra)
italiano italiano
CORDIS - Risultati della ricerca dell’UE
CORDIS

Bio-inspired photonics for enhanced microalgal photosynthesis in biofuels

Periodic Reporting for period 2 - BioMIC-FUEL (Bio-inspired photonics for enhanced microalgal photosynthesis in biofuels)

Periodo di rendicontazione: 2019-01-01 al 2019-12-31

Microscopic photosynthesising algae are a very attractive source of biomass energy and much effort has been made to optimise biofuel production. The key challenge for making microalgal production commercially feasible is to improve the spatial efficiency at which algae can grow, because high cell densities lead to low photosynthetic efficiency as a result of self-shading. The development of photobioreactors that provide algae with artificial irradiation and regulate the flux of gases is a key approach to maximise algal photosynthesis. However, these systems are expensive and thus limit the scaling-up of bioenergy generation.
Nature has found simple ways to grow microalgae with high photosynthetic efficiency at high densities. On tropical coral reefs, microalgae are harboured within the animal tissue of corals as part of a natural symbiosis. The current design of the coral-algal symbiosis represents the result of an optimisation process that has taken place over millions of years in response to environmental drivers such as the competition f or space and light. Corals are highly optimised photosynthesising systems that despite the high densities of algae have remarkable photosynthetic efficiency on a tissue systems level. This is largely because of the evolution of simple light scattering mechanisms within the coral tissue and skeleton and niche adaptation of the microalgae to different cell layers in order to best suit the local physico-chemical microenvironment.

Project aims and approach: We apply a multidisciplinary framework that integrates concepts of aquatic microbial ecology and optics into the design of biologically inspired bioenergy generation. Specifically, we learn from corals how to grow microalgae for improved biofuel production. The specific objectives are to 1) explore the in vivo light field, optical properties and photosynthetic efficiency of a range of coral species from different light regimes, 2) understand the nanophotonic and structural properties of corals underlying the optimised light modulation and 3) apply the biophotonic insight to design novel photonic materials for the improved growth of microalgae. A coral-inspired design is developed in a CAD environment and optimised via optical optical modeling approaches and microecological theory. Microalgae are 3D bioprinted in hydrogels that serve as algal microhabitats with defined optical and chemical response. The energy budget of the artificial microalgal system is evaluated through direct measurement of photosynthetic efficiency. In contrast to other bionics approaches, this project additionally integrates concepts of micoroenvironmental ecology through investingating how the local physico-chemical environment shapes the life of the 3D bioprinted microalgal community. These research objectives have important societal impacts, especially within Europe where the development of a resource-efficient, low-carbon economy through biofuels is a key research agenda. The work concludes that the development of optically tunable hydrogel systems is a promising approach to cultivate microalgae. Commercial applications of our platform will depend on developing scalable low-cost biomaterials.
WP3 (developing novel photonic materials for enhanced algal growth):
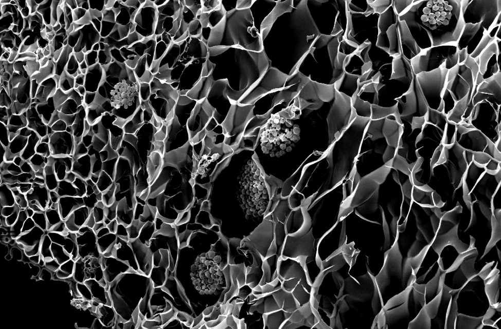
1) Development of novel 3D bioprinted hydrogel for ultra-high density microalgal growth. A bio-inspired microalgal culturing platform with optimized light delivery has been developed. A 3D bioprinted hydrogel system has been fabricated using the coral architecture and coral optical properties as templates. Extensive studies on the performance of this photobioreactor system have been carried out and strongly enhanced compared to several conventional culturing techniques.
2) Development of synthetic algal-bacterial consortia for robust and space-efficienct microalgal growth in novel materials. A synthetic algal-bacterial consortium was developed in order to aid in nutrient acquisition by microalgae in dense hydrogels. The results showed that these synthetic consortia can further enhance microalgal productivity and are thus a useful addition in our bio-inspired culturing system.
3) Development of scalable multifunctional hydrogel for optimised microalgal growth. In order to develop a scalable low-cost hydrogel system, we have combined various biopolymers into multifunctional scalable hydrogel. The results show that microalgal growth, light use efficiency and antibacterial properties were enhanced.

Summary of dissemination actions:
Publications:
Nature Comm 11 (1) 1-8
Sci Rep, 9(1), pp.1-12.
Front Mar Sci 6:472

Conference presentations:
Wangpraseurt et al., 2018 Living light meeting, University of Cambridge, UK.
Wangpraseurt et al.,2018 Gordon Research Conference on Multifunctional Materials and Structures. Ventura, USA.

Patent applications:
Bionic 3D printed corals by D Wangpraseurt, S Vignolini, D Deheyn, Shaochen Chen, Shangting You
Scalable prototypes of the novel microalgal culturing platform are being tested. It is expected that this culturing system provides the basis for scalable and commercially viable systems. Thus, the research resulting from biomicfuel is expected to have important socio-economic impacts on the growing microalgae biofuel and bioproduct economy.Scalable prototypes of the novel microalgal culturing platform are being tested. It is expected that this culturing system provides the basis for scalable and commercially viable systems. Thus, the research resulting from Biomicfuel is expected to have important socio-economic impacts on the growing microalgae biofuel and bioproduct economy. As there are many different applications for our new technology, we have recently created a social enterprise company, called mantaz (mantaz.org) that uses coral-inspired light-harvesting approaches to cultivate algae for bioproducts in developing countries. We hope that our technique will be scalable so it can have a real impact on the algal biosector and ultimately reduce greenhouse gas emissions that are responsible for coral reef death.
3D bioprinted micoralgal culture.
3D bioprinted micoralgal culture (side view)
SEM 3D bioprinted coral with algae
Il mio fascicolo 0 0