Skip to main content
Go to the home page of the European Commission (opens in new window)
English English
CORDIS - EU research results
CORDIS

Thermal Energy Storage Systems for Energy Efficient Buildings. An integrated solution for residential building energy storage by solar and geothermal resources

Periodic Reporting for period 3 - TESSe2b (Thermal Energy Storage Systems for Energy Efficient Buildings. An integrated solution for residential building energy storage by solar and geothermal resources)

Reporting period: 2018-10-01 to 2019-09-30

The problem that the TESSe2b project proposed to solve was the optimization of renewable energy use, developing one of the most advantageous solutions to correct the mismatch that usually occurs between energy supply and demand in residential buildings, which is the use of optimized storage systems. This contributes to increasing the share of RES for heating, cooling and DHW in buildings, increasing the energy efficiency of the systems and increasing the flexibility of the energy grids.
There is a strong challenge for society in the coming years to take effective measures to mitigate the problems of climate change. This will require the full decarbonisation of energy systems. The European Union is committed to achieving full decarbonisation by 2050. In the buildings sector, this goal can be achieved by increasing energy efficiency and increasing the share of RES. The developed TESSe2b system contributes to achieve these two objectives.

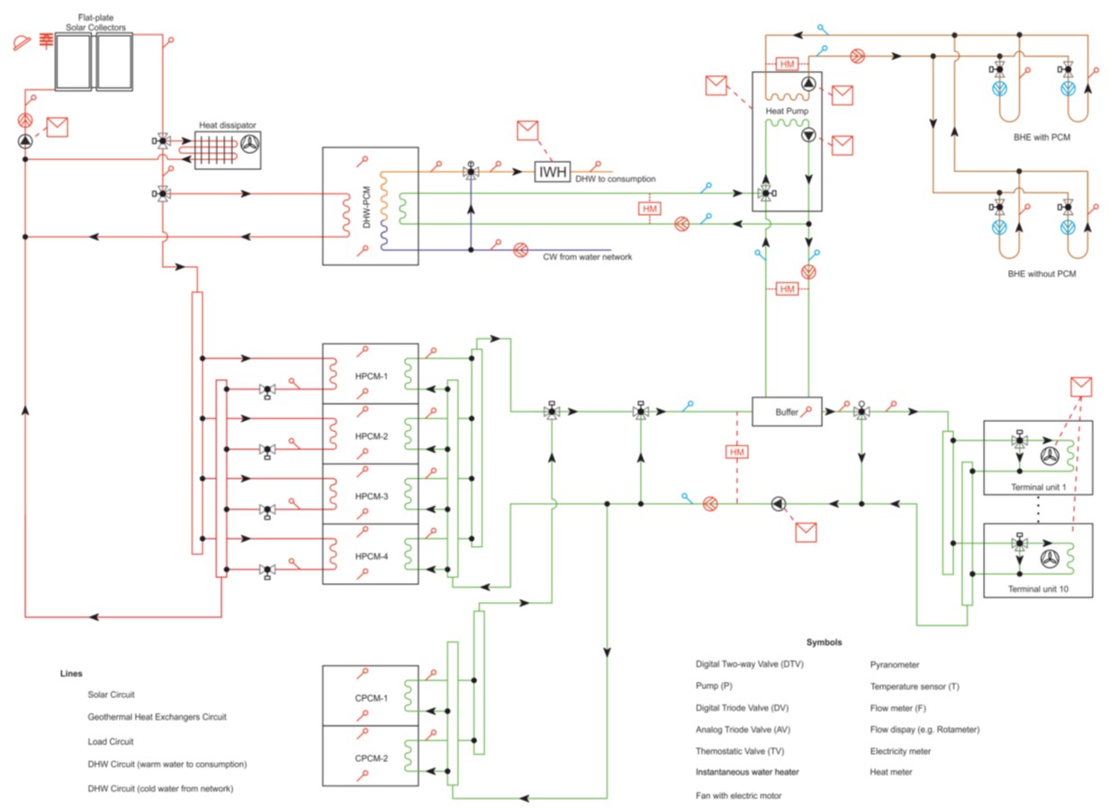
The general objectives of the project are: increasing energy efficiency in buildings, enhance green technologies and promote advance thermal energy storage solutions. The target of TESSe2b is to design, develop, validate and demonstrate a modular and low cost thermal storage technology based on solar collectors and highly efficient heat pumps for heating, cooling and domestic hot water (DHW) production (Fig. 1 and Fig. 2).
The TESSE2b system has been installed, validated and demonstrated on the three residential demo sites located in Austria, Cyprus and Spain, with the aim of demonstrating under different climatic conditions.
The solution has been shown to increase the share of RES for heating, cooling and DHW and to reduce primary energy consumption from fossil sources.
They were selected two paraffins and two hydrated salts, for the hot PCM tanks (HTES), two paraffins and two hydrated salts for the cold tanks (CTES) and two paraffins and two hydrated salt for the DWH tanks (DHW-PCM). They were also selected three paraffins for the PCM in BHEs, one per demo site according with the soil temperature and operating modes. The PCM is introduced in the BHE in encapsulation.
It was developed new nano-composite enhanced paraffins PCM (NEPCM) in order to improve its low thermal conductivity and enhance the overall heat transfer performance without compromising heat of fusion. The A44 with 6% weight of nano-particles presents an increase in thermal conductivity of about 50%. For A53 the thermal conductivity is increased 100% for 1% weight and almost 250% at 6% weight fraction. Similar conclusion were obtained for A58. For A15 the thermal conductivity is increased 44% for 3% weight and 100% at 4% weight fraction. It was also solved the problem of particles sedimentation using ultrasonic agitation.
It was developed of a protective and inexpensive thin film coating against the corrosivity of salt-hydrates to the heat exchanger (HE). The coated HE is not attacked by the PCM and in addition it exhibits better performances due to the very high thermal conductivity of the coating.
They were designed, optimized and developed of compact modular TES tanks including a high performance HE. A numerical analysis was be conducted via Computational Fluid Dynamics (CFD) (Fig. 3) and Finite Element Analysis. Compatibility between thermoplastic materials with the paraffin based PCMs was solve applying a coating with a special epoxy resin.
In hydrated salt tanks an appropriate geometry has been developed to ensure the stability of the hydrated salts over time. The HTES, CTES and DHW tanks pre-prototypes using paraffins and hydrated salts were developed and tested in laboratory and based on those results the prototypes that were installed in the demo sites were developed (Fig. 4 and Fig. 5). The performance of the tanks were validated and demonstrated in the demo sites (Fig. 6 and Fig. 7).
It was developed of a self-learning smart model-based control system for efficient TESSe2b operation. The smart model-based control system has been validated and demonstrated in the three demo sites.
Demonstration, on-site monitoring and technology validation of prototypes of a single building in three pilot sites, was performed.
A European market study it was developed. An Exploitation Plan was developed on the basis of KER (Key Exploitable Result) methodology. Is was identified 9 KER and it was submitted one patent application and it is in preparation other patent application.
A project communication and dissemination plan was prepared. It was organized the TESSe2b conference and eight TESS2b Workshops with B2B meetings with industry, visits for each demo site cooperation with other European projects, they were produced flyers, brochures, and newsletters, videos, news through the media, technical and scientific publications and communications.
An advanced thermal energy storage solution for heat and cold and DHW tanks, in modular shape, was developed and optimized and, based on the optimized designs, the prototypes were made and they were installed in the demo sites.
With the nanoparticles selected in a small weight fraction increases significantly the thermal conductivity and with a small effect on specific heat capacitance and latent heat values, being a low-cost solution. It was also solved the problem of particles sedimentation using ultrasonic agitation.
It was developed a protective and inexpensive coating which has high thermal conductivity which is not attacked by the PCM and in addition it exhibits better performances due to the very high thermal conductivity of the coating.
A practical and efficient solution was developed for the encapsulation of PCMs in BHE and it was installed in the three demo sites.
The energy management of the TESSe2b solution is based on a self-learning optimization algorithm. The solar radiation intensity and the energy demand of the residents vary only partly predictably and therefore constitute the stochastic variables of the system. A stochastic optimization method is used, that dynamically adapts itself during the operation of the system in order to achieve the chosen optimization objective. The system learns by itself what is the best way to operate under different conditions and optimizes its performance during the operation of the system.
The stability of the selected PCMs was studied and according to the paraffin characteristics there is no stability problem. The problem of the incompatibility of paraffins with the thermoplastics used in the tanks was solved by a coating with a special epoxy resin. Tests have been made to ensure the longevity of the solution. The PCM tanks using hydrated salts, are airtight, and height of the tank modules does not exceed 50 mm, allowing a long term stability.
It has been proven that an adequate increase in system efficiency is achieved with a total storage volume, hot tanks, cold tanks and DHW tanks, without exceeding 2.5 m3. The number of PCM tanks for each demo site, as a result of the optimization studies. For Austria the total volume of that tanks is 0.8 m3 (based in HE level). For Cyprus and for Spain is 1.12 m3 (based in HE level).
Cost-effectiveness analysis of TESSe2b solution was be done based in the monitoring data analysis and simulations of demo sites. The indicative values of the reduction of energy primary consumption varies from 80% to 90%, based in conventional systems for the demo sites corresponding a simple pay-back periods from 8.7 to 9.8 years.
Pre-Prototype Test Bench
TESSe2b Project
Prototype, PCM tank (paraffins)
CFD Simulations
Technical Room
Demo Sites (Austria, Cyprus and Spain)
TESSe2b Hydraulic Scheme - Spain Demo Site
My booklet 0 0